NAND GATE (VE DEĞİL KAPISI)

Mantık kapıları dijital dünyanın temel unsurlarıdır. Bir önceki yazıda temel mantık kapılarını öğrenmiştik. Bu temel kapılar evrensel kapılardan yapılabilir. Sayısal mantıkta iki evrensel kapı vardır. Bunlar NAND kapısı ve NOR kapısıdır.

Bu kapılar uygun şekilde imal edilirse, diğer temel kapılar kolaylıkla inşa edilebilir. Bu nedenle evrensel kapılar olarak adlandırılırlar. İmalatı kolay ve ekonomik olduğu için bu kapılar yaygın olarak kullanılmaktadır.


NAND kapısı Mantık Sembolü ve eşdeğer devre

NAND geçidi, AND geçidi ve NOT geçidinin birleşimidir. VEYA, AND kapısı ve DEĞİL kapısı olmak üzere 3 mantık kapısının işlemlerini yapabilme özelliğine sahiptir. AND geçidi ve NAND geçitlerinin çıkışları birbirinin tersidir. AND kapısının AND kapısından yapıldığı gerçeği bilinmelidir.

2 girişi X, Y ve tek çıkış, Z vardır. NAND Gate'in diyot ve transistör kullanan eşdeğer devresi aşağıda gösterilmiştir.

NAND geçidine girişler diyotlar aracılığıyla uygulanır ve bu diyotlar BJT'ye bağlanır.

NAND geçidinin her iki diyotunun girişleri yüksek bir voltaj seviyesine, yani +5 V'a (mantık YÜKSEK) bağlandığında, 2 diyot ters kutuplanacaktır. Diyotlar iletken olmadığı için ikisi de KAPALI durumda olacaktır. Bu durumda, transistör Q1, dirençten gelen besleme gerilimini sürdürebilir.

Bu, transistörün AÇIK durumda olmasını sağlar, bu nedenle Vce (Sat) çıkışındaki voltaj 0 olacaktır. Aynı şekilde, düşük voltaj beslemesini her iki diyota da uygularsak (mantık düşük) yani 0, akım yok transistörden geçer, bu nedenle KAPALI olacaktır. Bu, çıktının YÜKSEK olmasını sağlar.

NAND geçidi için devre ve mantık sembolü aşağıda verilmiştir.



NAND geçit işlemi için matematiksel ifade Z =(XY) ̅ olarak verilmiştir. Burada, “ ̅“ çubuğu ters işlemi temsil eder.

Nand Gate Doğruluk Tablosu

Doğruluk tablosundan, girişlerinden herhangi biri düşük durumdaysa, NAND geçidi çıkışının yüksek olacağı görülebilir. Her iki giriş de Yüksek ise YÜKSEK olacaktır.


Yaygın olarak bulunan TTL ve CMOS mantığı NAND kapısı 

NAND Kapısı Uygulamaları

Logic NAND kapısı, Hırsız alarmı, dondurucu buzzer vb. gibi birçok uygulamaya sahiptir.

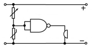
Hırsız alarmı veya hırsızlık alarmı

Hırsız alarm devresi aşağıda gösterilmiştir. LDR girişli bir NAND kapısına sahiptir. LDR, Işık Bağımlı Direnç anlamına gelir. Alarm anahtarı kapatıldığında, NAND geçit girişlerinden biri düşük olacaktır. Ve LDR ışık altında tutulursa, ikinci giriş de düşüktür. Yani NAND kapılarının 2 girişi düşüktür. Bu nedenle, iki durumdan herhangi biri meydana gelirse, NAND geçidinin çıkışı YÜKSEK olur ve ardından bir uyarı işareti olarak hırsızlık alarmı çalar.




Hırsız alarmı, yetkisiz girişleri tespit etmek, güvenlik alarmı ve hırsızlık alarmı olarak kullanılan elektronik bir cihazdır. Bunlar, ticari, konut ve askeri güvenlik amaçlı olarak davetsiz misafirlere karşı kullanılmaktadır. Bu alarmlar televizyon setlerine ve kapalı devre televizyon izleme sistemlerine bağlanabilir.

Dondurucu uyarı zili

Bu dondurucu uyarı zili devresi , NOT kapısı olarak NAND geçidini kullanır. Tek girişli NAND geçidinin (DEĞİL kapısı olarak işlev görür) giriş tarafında iki termistör bulunur. Termistör soğuk olduğunda direnci yüksek olacağından NAND geçidinin girişi YÜKSEK olacaktır. NAND kapısı bir NOT kapısı olarak çalıştığından, NOT kapısının çıkışı DÜŞÜK olacaktır.
Benzer şekilde, Termistör ısındığında direnci azalacaktır. Böylece Termistör üzerindeki voltaj düşüşü düşük olacak ve NAND geçidinin girişi DÜŞÜK olacaktır.


İki Termistör arasındaki voltaj düşüşü düşük olduğunda, NAND geçidinin çıkışı yüksek olacak ve ardından Buzzer çalacaktır.




Yorumlar

Popüler Yayınlar