OP-AMP (İşlemsel Yükselteç) Nedir ?
Akım ve gerim kazancı sağlayan devreler olup, güç kazancı ya da empedans dönüştürme de yapabilirler . Op-amp ile devreler üzerinde temel matematik işlemlerini gerçekleştirecek sistemler kurabiliriz. Op-amp’ların temel özellikleri yüksek giriş direnci, düşük çıkış direnci ve yüksek gerilim kazancıdır . Op-amp , girişine uygulanan zayıf elektrik sinyallerini, devresindeki aktif devre elemanları yardımı ile çıkışına büyütülmüş olarak aktarır. Bunu yaparken güç kaynağından aldığı enerjiyi kullanır. Bu enerjiyi, giriş sinyali ile aynı özellikte fakat daha güçlü bir çıkış sinyali elde etmek üzere işler. Sonuçta, yükseltecin çıkışından alınan elektriksel sinyalin gücü, girişine uygulanan sinyalin gücünden daha yüksektir.
Genel olarak OP-AMP, çok yüksek kazançlı bir DC yükselteçtir. OP-AMP ile hemen hemen yapılamayacak devre yok gibidir. İşlemsel yükselteçlerin temel görevi iki girişi arasındaki gerilimin yada sinyalin farkını alarak elde ettiği değeri kendi kazancı kadar yükselterek çıkışa vermektir. İşlemsel yükselteçlerin temel özellikleri arasında son derece yüksek gerilim kazancı, yüksek giriş direnci ve düşük çıkış direnci, sayılabilir. İç devre yapısı tek bir yonga üzerine bir ila dört adet işlemsel yükselteç oluşturabilmek için, yüzlerce son derece küçük transistör ve devre elemanından oluşur. Bu devreler sadece BJT (bipolar junction transistor), JFET (jonction field effect transistor) ya da MOSFET (metal oxide semiconductor FET) kullanılarak yapılabilir.
Op-ampın Yapısı
Genel olarak bir işlemsel yükseltecin iki giriş, bir çıkış, iki de besleme kaynağı ucu bulunur. Sembolde, (-) işaretli giriş ucu tersleyen (eviren, inverting), (+) işaretli giriş ucu terslemeyen (evirmeyen, noninverting) giriş ucudur. (-) işaretli giriş ucuna sinyal uygulandığında çıkıştan 180° faz farklı bir çıkış sinyali alınır. Giriş sinyali (+) işaretli giriş ucuna uygulandığı zaman da çıkıştan alınan sinyalle girişe uygulanan sinyal arasında faz farkı olmaz. Yani aynı fazda bir çıkış sinyali alınır.
Op-amp Özellikleri
- Kazancı çok fazladır. (Örneğin, 200.000)
- Giriş empedansı çok yüksektir. (5 MΩ)
- Çıkış empedansı sıfıra yakındır.
- Band genişliği fazladır. (1MHz)
Açık çevrim kazancı ise OP-AMP ‘ın kendi kazancıdır. Yani direnç ile belirlenemeyen kazancıdır. Her ne kadar OP-AMP ‘ın kazancı yaklaşık 200.000 gibi bir değerde olmasına rağmen bu kazanç OP-AMP ‘a uygulanan besleme voltajına bağlıdır. Örneğin, bir OPAMP ‘ın besleme voltajı ±12 Volt ve girişe 1 Volt yükseltilmek üzere bir giriş sinyali uygulansa, OPAMP ‘ın özelliğine göre çıkıştan bu kazançla orantılı olarak 200.000 Volt alınmaz. Çünkü, besleme voltajı ±12 Volt kullanılmışsa çıkıştan en fazla 12 Volt alınır. Burada, açık çevrim kazancını etkileyen en önemli faktör besleme voltajının değeridir.
OP-AMP ‘ın diğer özelliği 5MΩ ‘a ulaşan giriş empedansıdır. Giriş empedansının bu kadar büyük olması, bağlı olduğu sinyal kaynağını ve bir önceki devreyi yüklememesi, küçük bir giriş akımı ile kumanda edilmesi gibi üstünlükleri vardır. OP-AMP ‘ın çıkış empedansı idealde sıfır iken pratikte bu değer 100-150Ω arasındadır. OP-AMP ‘ın çıkış empedansının küçük olması, çıkış akımını arttırarak kısa devrelerden zarar görmemesini sağlar. OP-AMP ‘ın band genişliği 1MHz civarındadır.
OP-AMP ‘a uygulanan sinyalin frekansı yükseldikçe kazanç düşer. DC ve DC ‘ye yakın sinyallerde OPAMP ‘ın kazancı yaklaşık 200.000 ‘dir.
OP-AMP ‘ın statik çalışmasında yani girişte sinyal yokken çıkışın 0 Volt olması gerekir. Ancak, pratikte giriş uçları arasında, çok küçük de olsa bir offset gerilimi oluşur. Bu küçük gerilim OP-AMP ‘ın kazancı ile çarpılarak çıkışa aktarılır. Bu nedenle, OP-AMP entegrelerinde offset sıfırlama uçları bulunur.
Offset Sıfırlama
Yüksek performans gereken yerlerde şekil de görüldüğü gibi harici bağlantılarda OP-AMP ‘ın çıkış gerilimi boşta iken sıfır yapılır. 741 entegresinin 1 ve 5 nolu uçlarına bir potansiyometre bağlanarak, orta ucu (-) voltaj kaynağına irtibatlandırılır.
Op-amp Belenmesi
OP-AMP sembolünde +V ve -V uçları, besleme kaynağının bağlandığı uçlardır.
Bir OP-AMP ‘a, ±5 V, ±12 V, ±15 V, ±18 V gibi besleme voltajı verilebilir. OP-AMP ‘ın AC sinyal yükseltmesinde tek güç kaynağı kullanmak yeterlidir.
Genellikle OP-AMP ‘lar simetrik kaynaktan beslenir. Şekil 9 ‘de bir OP-AMP ‘ın simetrik kaynaktan beslenmesi görülmektedir, örneğin bir OP-AMP devresi olarak 741 entegresi kullanılacaksa, entegrenin 7 nolu ucuna pozitif besleme, 4 nolu ucuna ise negatif besleme uygulanır. Şekil 9 ‘de görülen (+) giriş faz çevirmeyen giriş ucu, (-) giriş faz çeviren giriş ucunu gösterir.
Op-amp Devreleri
- Tersleyen Yükselteç
- Terslemeyen Yükselteç
- Gerilim İzleyici Op-amp
Giriş direnci,
Ri=sonsuzdur.
Çıkış direnci, Ro=0’dır.
Gerilim kazancı, 1’dir.
Kaynak ve yük ne olursa olsun kapalı çevrim kazancı vardır.
Gerilim izleyici op-amplar genellikle kaynak ile yüksek veya düşük empedanslı yüklerin bağlantılarını sağlamak için kullanılır.
- Toplar Yükselteç
- Fark Alıcı Yükselteç
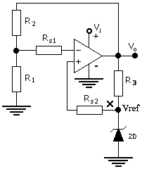
- Karşılaştırıcı
Bu devrede;
Vi > Vref olursa, çıkıştan yaklaşık +V değeri alınır. (Vo = +V)
Vi < Vref olursa, çıkıştan yaklaşık -V değeri alınır. (Vo = -V)
- İntegral Alan
- Türev Alan
- Doğrultmaç olarak
Yarım dalga doğrultmaç
Tam dalga doğrultmaç
- Logaritmik yükselteç
- Gerilim Regülatörü
- Gerilim Kontrollü Osilatör
- Op-ampların Lineer Kullanımı
VİDEO YÜKSELTİCİLER
RF VE IF YÜKSELTİCİLER
Gerilim regülatörü olarak
Op-amp Kullanım Alanları
OPAMP (İşlemsel yükselteç)’ lerin kullanım alanları oldukça geniş bir yelpazeye dağılmakta ve elektroniğin her dalında çeşitli tip ve özellikteki OPAMP’lar kullanılmaktadır.
Başlıklar halinde kullanıldıkları alanları inceleyecek olursak,
Analog Bilgisayar İşlemleri : Toplama, çıkarma, bölme, çarpma, türev alma, integral alma, logaritma alma, üs alma ve trigonometrik fonksiyonlardır.
Yükselteç İşlemleri : Enstrumantasyon (ölçme) yükselteci, ses frekans yükselteci, motor kontrol
yükselteçleri ve basit yükselteç devreleridir.
Dalga Şekillendirici İşlemleri : Kırpıcı, sinüs – kare dalga dönüştürücü, kare – üçgen dalga dönüştürücü ve kenetleyicilerdir.
Regülasyon İşlemleri : Voltaj regülasyon işlemleri (RMS),-DC dönüştürücü, gerilim çoklayıcı işlemleri ve konvertisör işlemleridir.
Veri Transfer İşlemleri : Gerilim frekans dönüştürücü ve kablolu veri transfer devreleridir.
Sinyal Analiz İşlemleri : Özel karşılaştırma işlemleri, pencere karşılaştırıcı, tepe dedektörü ve gerilim dağıtıcı.
Sinyal Üreteç İşlemleri : Wien köprü osilatörü, kare dalga ve üçgen dalga üreteci, testere dişi ve darbe üreteci, merdiven dalga üreteci, gerilim kontrollü frekans üreteç işlemleri, modülasyon işlemleri ve zamanlama devreleri.
Test ve Ölçme İşlemleri : Akım, gerilim, direnç, frekans, faz, kapasite, güç, transistör test, OPAMP test, ısı ve diğer fiziksel büyüklükler ölçme devreleri.
Filtre İşlemleri : Aktif filtre işlemleri, alt geçiren, üst geçiren, band geçiren filtre, işlemleri.
İşlemsel yükselteçlerin kullanım alanları burada listelenen konularla sınırlı olmayıp,
uygulamada pek çok alanda kullanılmaktadır. İşlemsel yükselteçlerin kullanım alanları
sadece tasarımcıların hayal gücü ile sınırlıdır.























Yorumlar
Yorum Gönder
Düşüncelerini veya yorumlarını bizimle paylaş.